【导读】在前两期的“陶显芳老师谈开关电源原理与设计”中介绍了开关电源电路的过渡过程以及反激式变压器开关电源电路参数计算,本期将继续为大家讲解双激式变压器开关电源的相关参数计算,由于内容较多,先就其中的推挽式变压器开关电源进行讲解。
所谓双激式变压器开关电源,就是指在一个工作周期之内,变压器的初级线圈分别被直流电压正、反激励两次。与单激式变压器开关电源不同,双激式变压器开关电源一般在整个工作周期之内,都向负载提供功率输出。双激式变压器开关电源输出功率一般都很大,因此,双激式变压器开关电源在一些中、大型电子设备中应用很广泛。这种大功率双激式变压器开关电源最大输出功率可以达300 瓦以上,甚至可以超过1000 瓦。
推挽式、半桥式、全桥式等变压器开关电源都属于双激式变压器开关电源。本次先就其中的推挽式变压器开关电源进行讲解。
推挽式变压器开关电源的工作原理
在双激式变压器开关电源中,推挽式变压器开关电源是最常用的开关电源。由于推挽式变压器开关电源中的两个控制开关K1 和K2 轮流交替工作,其输出电压波形非常对称,并且开关电源在整个工作周期之内都向负载提供功率输出,因此,其输出电流瞬间响应速度很高,电压输出特性也很好。
推挽式变压器开关电源是所有开关电源中电压利用率最高的开关电源,它在输入电压很低的情况下,仍能维持很大的功率输出,所以推挽式变压器开关电源被广泛应用于DC/AC 逆变器,或DC/DC 转换器电路中。
1.交流输出推挽式变压器开关电源
一般的DC/AC 逆变器,如交流不间断电源(简称UPS),大多数都是采用推挽式变压器开关电源电路。这种DC/AC 逆变器工作频率很高,所以体积可以做得非常??;由于这个特点,推挽式变压器开关电源也经常用于AC/AC 转换电路中,以减小电源变压器的体积。

[page]
图 1-27 中,当控制开关K1 接通时,电源电压Ui 通过控制开关K1 被加到变压器初级线圈N1绕组的两端,通过电磁感应的作用在变压器次级线圈N3 绕组的两端也会输出一个与N1 绕组输入电压成正比的电压,并加到负载R 的两端,使开关电源输出一个正半周电压。当控制开关K1 由接通转为关断时,控制开关K2 则由关断转为接通,此时电源电压Ui 被加到变压器初级线圈N2 绕组的两端,通过互感在变压器次级线圈N3 绕组的两端也输出一个与N2 绕组输入电压成正比的电压uo,并加到负载R 的两端,使开关电源输出一个负半周电压。
由于电源电压Ui 加到变压器初级线圈N1 绕组和N2 两端产生磁通的方向正好相反,所以在负载上可得到一个与线圈N1、N2 绕组所加电压对应的正、负极性电压uo。正半周对应的是K1 接通时,N1 绕组与N3 绕组互相感应的输出电压;负半周对应的是K2 接通时,N2 绕组与N3 绕组互相感应的输出电压。
下面我们进一步详细分析推挽式变压器开关电源的工作原理。
图 1-27 中,当控制开关K1 接通时,输入电源Ui 开始对变压器初级线圈N1 绕组加电,电流从变压器初级线圈N1 绕组的两端经过,通过电磁感应会在变压器的铁心中产生磁场,并产生磁力线;同时,在初级线圈N1 绕组的两端要产生自感电动势e1,在次级线圈N3 绕组的两端也会产生感应电动势e3;感应电动势e3 作用于负载R 的两端,从而产生负载电流。因此,在初、次级电流的共同作用下,在变压器的铁心中会产生一个由流过变压器初、次级线圈电流产生的合成磁场,这个磁场的大小可用磁力线通量(简称磁通量),即磁力线的数目φ来表示。
如果用φ1 来表示变压器初级线圈N1 绕组电流产生的磁通量,用φ3 来表示变压器次级线圈电流产生的磁通量,由于变压器初、次级线圈电流产生的磁场方向总是相反,则在控制开关K1 接通期间,由流过变压器初、次级线圈电流在变压器铁心中产生的合成磁场的总磁通量φ为:
其中变压器初级线圈电流产生的磁通φ1 还可以分成两个部分,一部分用来抵消变压器次级线圈电流产生的磁通φ3,记为φ10,另一部分是由励磁电流产生的磁通,记为Δφ1。显然φ10 =-φ3,Δφ1 = φ?。即:变压器铁心中产生的磁通量φ,只与流过变压器初级线圈中的励磁电流有关,与流过变压器次级线圈中的电流无关;流过变压器次级线圈中的电流产生的磁通,完全被流过变压器初级线圈中的另一部分电流产生的磁通抵消。
根据电磁感应定律可以对变压器初级线圈N1 绕组回路列出方程:

上式中,(Up)为开关变压器次级线圈N3 绕组正激输出电压的幅值,用括弧匡住来表示。由于流过开关变压器初级线圈N1 绕组的励磁电流是线性变化的,所以我们可认为开关变压器次级线圈N3 绕组正激输出电压是一个方波。方波的幅值Up 与半波平均值Upa 以及有效值Uo 三者完全相等。
[page]
根据(1-126)和(1-127)可以求得:
(1-128)式就是推挽式变压器开关电源正激输出时的电压关系式。上式中,(Up)为开关变压器次级线圈N3 绕组正激输出电压的幅值,Ui 为开关变压器初级线圈N1 绕组的输入电压;n 为变压比,即:开关变压器次级线圈输出电压与初级线圈输入电压之比,n 也可以看成是开关变压器次级线圈N3 绕组与初级线圈N1 绕组的匝数比,即:n =N3/N1。
由此可知,在控制开关K1 接通期间,推挽式变压器开关变压器次级正激输出电压的幅值只与输入电压和变压器的次/初级变压比有关。
同理我们也可以求得,当控制开关K2 接通时,开关变压器N3 线圈绕组正激输出电压的幅值(Up-)为:
上式中的负号表示e3 的符号与(1-128)式中的符号相反,(Up-)表示与(Up)的极性相反。
这里还需指出,(1-128)式和(1-129)式列出的计算结果,并没有考虑控制开关K1 或K2 关断瞬间,励磁电流存储的能量也会通过变压器的次级线圈N3 绕组产生反电动势(反激式输出)的影响,即:推挽式变压器开关电源同时存在正、反激电压输出。
反激式电压产生的原因是因为K1 或K2 接通瞬间变压器初级或次级线圈中的电流初始值不等于零,或磁通的初始值不等于零。即:推挽式变压器开关电源中反激式电压的产生是由变压器励磁电流存储的能量产生的。
实际上,推挽式变压器开关电源的反激式输出电压也是不能忽略的。推挽式变压器开关变压器次级线圈的输出电压应该同时包括两部分,正激输出电压和反激输出电压。不过,在推挽式变压器开关电源中,输出功率主要还是以正激式输出功率为主,因为,变压器的励磁电流很小,一般只有正常工作电流的几分之一,到十分之一。
因此,图1-27 中,当控制开关K1 关断,K2 接通瞬间,开关变压器次级线圈输出电压应该等于正激电压(由(1-128)和(1-129)式给出)与反激电压(由(1-67)或(1-68)式给出)之和。
关于纯电阻负载反激式输出电压的计算,请参考前面《1-5-1.单激式变压器开关电源的工作原理》章节中的相关内容分析,这里不再赘述。
[page]
根据(1-67)式

可求得,开关变压器次级线圈N3 绕组产生的反激式输出电压为:

上式中,[uo] 表示开关变压器次级线圈N3 绕组输出的反激式电压,[i3] 表示开关变压器次级线圈N3 绕组输出反激式电压对负载R 产生的电流。括弧中的第一项表示变压器次级线圈回路中的电流,第二项表示变压器初级线圈回路中励磁电流被折算到变压器次级线圈回路的电流。
另外根据(1-129)式求得的结果,开关变压器次级线圈N3 绕组产生的正激式输出电压为:
上面两式中,[uo]表示开关变压器次级线圈N3 绕组输出的反激式电压,(uo)表示开关变压器次级线圈N3 绕组产生的正激式输出电压。
因此,开关变压器次级线圈输出电压uo 等于正激电压(uo)与反激电压[uo]之和,即:

上式是推挽式变压器开关电源在负载为纯电阻时,输出电压uo 的表达式。由(1-132)式可以看出,当t = 0 时,即:控制开关K1 关断瞬间,输出电压为最大值:

从(1-133)式可以看出,在控制开关K1 关断瞬间,当变压器次级线圈回路负载开路,或负载很轻的时候,变压器次级线圈回路会产生非常高的反电动势。
但在实际应用中,并不完全是这样。因为,当控制开关K1 关断瞬间,控制开关K2 也会同时接通,此时开关变压器初级线圈N2 绕组也同时被接入电路中,N2 线圈绕组对于开关变压器初级线圈N1 绕组来说,它也相当于一个变压器次级线圈,它也会产生感应电动势,感应电动势的方向与输入电压Ui 的方向正好相反;因此,在控制开关K2 接通瞬间,开关变压器初级线圈N1 绕组存储的磁能量有一部分要被N2 绕组吸收,并产生感应电流对输入电压Ui 充电。
[page]
(1-132)式和(1-133)式并没有完全考虑,开关变压器初级线圈N1 绕组和N2 绕组被互相看成是一个变压器次级绕组时,所产生的影响。显然变压器次级线圈回路产生反电动势的高低还与控制开关K1 和K2 交替接入的时间差有关,与K1 和K2 的接入电阻的大小还有关。一般电子开关,如晶体管或场效应管,刚开始导通的时候也不能简单地看成是一个开关,它从截止到导通,或从导通到截止,都需要一个过渡过程,因此,它也会存在一定的开关损耗。
当 N1 和N2 被互相看成是一个变压器次级绕组时,由于N1 线圈绕组存储的磁能会同时在N1、N2、N3 等线圈绕组两端产生反电动势或感应电动势,同理,N2 线圈绕组存储的磁能会同时在N1、N2、N3 等线圈绕组两端产生反电动势或感应电动势。
而 N1 或N2 线圈绕组产生的反电动势或感应电动势的电流方向正好与输入电流的方向相反,因此,开关变压器初级线圈N1 绕组或N2 绕组互相感应产生的反电动势或感应电动势,会对输入电压Ui 进行反充电;即:开关变压器初级线圈N1 绕组或N2 绕组互相感应产生的反电动势或感应电动势会被Ui 进行限幅,这相当于变压器次级线圈N3 绕组输出电压uo 也要通过变压比被Ui 进行限幅。
因此,变压器次级线圈N3 绕组输出电压uo 中的反激式输出电压[uo],并不会像(1-132)和(1-133)算式所表达的结果那么高。
另外,根据(1-75)式:
还可以知到,当控制开关K1 和K2 的占空比均等于0.5 时,变压器正激输出电压的半波平均值Upa 与反激输出的半波平均值Upa-基本相等。因此,只有在控制开关K2 接通与控制开关K1 断开两者之间存在时间差时,变压器次级线圈回路才会产生非常高的反电动势;但当控制开关K1 和K2的占空比均小于0.5 时,虽然反电动势的幅度比较高,但由(1-75)式可知,反电动势(反激输出电压)的半波平均值还是小于正激电压的半波平均值。
所以,(1-132)和(1-133)式所表示的结果,可看成是推挽式变压器开关电源在输出电压中含有毛刺(输出噪音)的表达式。
根据上面分析,在一般情况下,推挽式变压器开关电源的输出电压uo,主要还是由(1-128)、(1-129)、(1-131)等式来决定。即:推挽式变压器开关电源的输出电压uo,主要由开关变压器次级线圈N3 绕组输出的正激电压来决定。
图 1-28 是图1-27 推挽式变压器开关电源,在负载为纯电阻,且两个控制开关K1 和K2 的占空比D 均等于0.5 时,变压器初、次级线圈各绕组的电压、电流波形。
图 1-28-a)和图1-28-b)分别表示控制开关K1 接通时,开关变压器初级线圈N1 绕组两端的电压波形,和流过变压器初级线圈N1 绕组两端的电流波形;图1-28-c)和图1-28-d)分别表示控制开关K2 接通时,开关变压器初级线圈N2 绕组两端的电压波形,和流过开关变压器初级线圈N2绕组两端的电流波形;图1-28-e)和图1-28-f)分别表示控制开关K1 和K2 轮流接通时,开关变压器次级线圈N3 绕组两端输出电压uo 的波形,和流过开关变压器次级线圈N3 绕组两端的电流波形。
[page]
从图1-28-b)和图1-28-d)中我们可以看出,当控制开关K1 或K2 接通瞬间,流过变压器初级线圈N1 绕组或N2 绕组的电流,其初始值并不等于0,而是产生一个电流突跳,这是因为变压器次级线圈N3 绕组中有电流流过的原因。
当变压器次级线圈N3 绕组有负载电流流过时,其产生的磁通方向正好与流过变压器次级线圈N1 或N2 绕组励磁电流产生的磁通方向相反,因此,流过变压器初级线圈N1 绕组或N2 绕组的电流也要在原来励磁电流的基础上再增加一个电流,来抵消流过变压器次级线圈N3 绕组电流的影响。
增加电流的大小等于流过变压器次级线圈N3 绕组电流的n 倍,n 为变压器次级线圈N3 绕组与初级线圈N1 绕组或N2 绕组的匝数比。
从图1-28-f)中我们可以看出,流过开关变压器次级线圈N3 绕组两端的电流波形是个矩形波,而不是三角波。这是因为推挽式变压器开关电源同时存在正、反激电压输出的缘故。当变压器同时存在正、反激电压输出时,反激式输出的电流是由最大值开始,然后逐渐减小到最小值,如图中虚线箭头所示;而正激式输出的电流则是由最小值开始,然后逐渐增加到最大值,如图中实线箭头所示;因此,两者同时作用的结果,正好输出一个矩形波。
从图1-28-e)还可以看出,输出电压uo 由两个部分组成,一部分为输入电压Ui 通过变压器初级线圈N1 绕组或N2 感应到次级线圈N3 绕组的正激式输出电压(uo),这个电压的幅度比较稳定,一般不会随着时间变化而变化;另一部分为励磁电流通过变压器初级线圈N1 绕组或N2 绕组存储的磁能量产生的反激式输出电压[uo],这个电压会使波形产生反冲,其幅度是时间的指数函数,它会随着时间增大而变变小。
这里还需指出,图1-28-e)中的波形有上冲,在纯电阻负载中是正常的,尽管N1 和N2 互相都可以把对方看成是变压器次级绕组,并对高于输入电压Ui 的反电动势电压进行限幅,但因为线圈N1 绕组与线圈N2 绕组之间有漏感,线圈N2 绕组与线圈N3 绕组之间也有漏感,况且,控制开关在刚接通瞬间有比较大的电阻,因此,变压器次级线圈N3 绕组瞬间反激输出电压高于正激输出电压是肯定的。不过在大多数情况下,最好还是采用半波平均值的概念来进行电路分析或计算,以免需要进行复杂的指数函数运算。


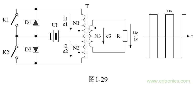
当要求推挽式变压器开关电源输出电压波形的反冲幅度很小时,可采用如图1-29 所示的电路。

图1-29 与图1-27 相比,多了两个阻尼二极管D1、D2,它们分别与控制开关K1、K2 并联。当控制开关K1 由接通转换到关断时,在N2 线圈中产生的感应电动势e2,不管K2 处于什么工作状态,接通或关断,只要N2 线圈中产生的感应电动势e2 的幅度超过工作电压Ui,二极管D2 就会导通,相当于感应电动势e2 通过二极管D2 被工作电压Ui 限幅,同时也相当于变压器次级线圈N3 绕组输出电压uo 也要通过电磁感应被Ui 进行限幅,而二极管D2 对控制开关K2 的工作几乎不受影响。
同理,当控制开关K2 由接通转换到关断时,不管K1 处于什么工作状态,只要N1 线圈中产生的感应电动势e1 的幅度超过工作电压Ui,二极管D1 就会导通,感应电动势e1 就会通过二极管D1 被工作电压Ui 限幅,这也相当于变压器次级线圈N3 绕组输出电压uo 也要通过变压比被Ui 进行限幅,而二极管D1 对控制开关K1 的工作几乎不受影响。
一般人们都把D1、D2 称为阻尼二极管,这是因为D1、D2 没有直接对输出电压uo 进行限幅,而是通过变压器初、次级之间的感应作用间接进行的。实际应用中,一般都在开关三极管的E-C 或场效应管的S-D 两个电极内部封装有一个阻尼二极管,其作用就是用来对输出电压反冲进行阻尼用的。阻尼二极管D1、D2 的另一个作用是防止变压器初级线圈N1 绕组中产生的感应电动势e1 对控制开关K1、K2 反向击穿。
2.整流输出推挽式变压器开关电源
整流输出推挽式变压器开关电源,由于两个开关管轮流交替工作,相当于两个开关电源同时输出功率,其输出功率约等于单一开关电源输出功率的两倍。因此,推挽式变压器开关电源输出功率很大,工作效率很高,经桥式整流或全波整流后,仅需要很小的滤波电感和电容,其输出电压纹波就可以达到非常小。
图 1-30 是桥式整流输出推挽式变压器开关电源工作原理图,除了整流滤波电路以外,其余部分电路的工作原理基本与图1-27 相同。桥式整流电路由D1、D2、D3、D4 组成,C 为储能滤波电容,R 为负载电阻,Uo 为直流输出电压,Io 为流过负载电阻的电流。
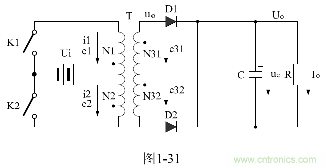
图 1-31 是全波整流输出的推挽式变压器开关电源工作原理图,同样,除了整流滤波电路以外,其余部分电路的工作原理基本与图1-27 和图1-30 相同。但开关变压器的次级需要多一个绕组,两个绕组N31、N32 轮流输出电压;全波整流电路由D1、D2 组成,C 为储能滤波电容,R 为负载电阻,Uo 为直流输出电压,Io 为流过负载电阻的电流。
图 1-30 与图1-31 比较,桥式整流输出的推挽式变压器开关电源比全波整流输出的推挽式变压器开关电源多用两个整流二极管,但全波整流输出的开关变压器又比桥式整流输出的开关变压器多一组次级线圈。因此,图1-30 桥式整流输出推挽式变压器开关电源比较适用于输出电流相对较小的情况;而图1-31 全波整流输出推挽式变压器开关电源比较适用于输出电流相对较大的情况。因为,大电流整流二极管成本高,而且损耗功率也比较大。
下面我们来详细分析图1-30 桥式整流输出推挽式变压器开关电源和图1-31 全波整流输出推挽式变压器开关电源的工作原理。
[page]
由于图1-30 桥式整流输出推挽式变压器开关电源或图1-31 全波整流输出推挽式变压器开关电源的电压输出电路中都接有储能滤波电容,储能滤波电容会对输入脉动电压起到平滑的作用,因此,图1-30 和图1-31 中输出电压Uo 都不会出现很高幅度的电压反冲,其输出电压的峰值Up 基本上就可以认为是半波平均值Upa。其值略大于正激输出nUi,即:桥式整流输出推挽式变压器开关电源或全波整流输出推挽式变压器开关电源,整流滤波输出电压Uo 的值略大于正激输出nUi,n 为变压器次级线圈N3 绕组与初级线圈N1 绕组或N2 绕组的匝数比。


因此,推挽式变压器开关电源的输出电压uo,主要还是由(1-131)式来决定。即:推挽式变压器开关电源的输出电压uo(K1 或K2 接通期间),约等于开关变压器次级线圈N3 绕组产生的正激式输出电压Up 或Up-的半波平均值Upa 或Upa-:

上式中,uo 为推挽式变压器开关电源的输出电压,n 为变压器次级线圈N3 绕组与初级线圈N1绕组或N2 绕组的匝数比,Ui 为开关变压器初级线圈N1 绕组或N2 绕组的输入电压。
[page]
图 1-32 是桥式整流输出或全波整流输出推挽式变压器开关电源,在两个控制开关K1 和K2 交替接通和断开,且占空比D 均等于0.5 时,各主要工作点的电压、电流波形。
图 1-32-a)和图1-32-b)分别表示控制开关K1 接通时,开关变压器初级线圈N1 绕组两端的电压u1 的波形,以及流过变压器初级线圈N1 绕组两端的电流i1 波形;图1-32-c)和图1-32-d)分别表示控制开关K2 接通时,开关变压器初级线圈N2 绕组两端的电压u2 的波形,以及流过开关变压器初级线圈N2 绕组两端的电流i2 的波形;图1-32-e)和图1-32-f)分别表示控制开关K1 和K2轮流接通时,开关变压器次级线圈N3 绕组两端输出电压uo 的波形,以及流过开关变压器次级线圈N3 绕组两端的电流波形。
图 1-32-f)中,虚线箭头表示反激式输出电流是由最大值开始,然后逐渐减小到最小值;而实线箭头表示正激式输出电流则是由最小值开始,然后逐渐增加到最大值;因此,两者同时作用的结果,正好输出一个矩形波。


[page]
由于推挽式变压器开关电源输出电压的半波平均值Upa 幅值基本上是稳定的,它不会像反激式输出开关电源那样,输出电压的幅值随着控制开关占空比的改变而改变。因此,如果需要调整推挽式变压器开关电源输出电压,只能通过改变两个控制开关的占空比,来改变输出电压的平均值。因此,在输出电压可调的推挽式变压器开关电源电路中,必须要在整流输出电路后面加接一个LC 储能滤波电路,才能从整流输出的脉动直流电压中提取平均值输出。
图 1-33 是输出电压可调的推挽式变压器开关电源电路。实际上图1-33 就是在图1-31 全波整流输出推挽式变压器开关电源电路的基础上,在整流输出电路后面加接了一个LC 储能滤波电路。LC储能滤波电路的工作原理与图1-2 串联式开关电源中的储能滤波电路工作原理基本相同。不过,在全波整流输出的LC 储能滤波电路中可以省去一个续流二极管,因为用于全波整流的两个二极管可以轮流充当续流二极管的作用。关于LC 储能滤波电路的详细工作原理,请参考《1-2-2.串联式开关电源输出电压滤波电路》章节。
由于图1-33 中两个控制开关占空比D 的可调范围很?。ㄐ∮?.5),并且在一个周期内两个控制开关均需要接通和关断一次,因此,输出电压的可调范围相对来说要比单激式开关电源输出电压的可调范围小很多;但双激式开关电源比单激式开关电源,具有输出功率大、电压纹波小、电压输出特性好等优点。


图 1-34 是输出电压可调的推挽式变压器开关电源各主要工作点的电压、电流波形。
[page]
图 1-34-a)表示控制开关K1 接通时,开关变压器初级线圈N1 绕组两端的电压波形;图1-34-b)表示控制开关K2 接通时,开关变压器初级线圈N2 绕组两端的电压波形;图1-34-c)表示控制开关K1 和K2 轮流接通时,开关变压器次级线圈N3 绕组两端输出电压uo 的波形。图1-34-d)表示开关变压器次级线圈N3 绕组两端输出电压经全波整流后的电压波形。
图 1-34-c)中,Up、Up-分别表示开关变压器次级线圈N3 绕组两端输出电压uo 的正最大值(半波平均值)和负最大值(半波平均值),[Up]、[Up-]分别表示开关变压器次级线圈N3 绕组两端反激输出电压的正最大值(半波平均值)和负最大值(半波平均值)。
这里还需再次说明,实际上反激输出电压[Up]和[Up-]的脉冲幅度都很高,只不过它的能量很小,即宽度很窄,其幅度被限幅和平均以后就变得很低了。在整流输出电路中,反激输出电压[Up]、[Up-]的幅度一般都不会高于Up、Up-的幅度,其幅度高于Up、Up-将要被滤波电容两端的电压限幅,或通过变压器两个初级线圈的互感作用被输入电源电压限幅。
图 1-34-d)中,实线波形对应控制开关K1 接通时,开关变压器次级线圈N3 绕组两端输出电压经桥式或全波整流后的波形;虚线波形对应控制开关K2 接通时,开关变压器次级线圈N3 绕组两端输出电压经桥式或全波整流后的波形。Ua 表示整流输出电压的平均值。
从图1-34-d)可以看出,仅用储能电容对整流输出电压进行滤波,是很难从脉动直流中取出输出电压的平均值的,必须同时使用储能滤波电感才能取出输出电压的平均值。
(未完,下期继续...)
相关阅读:
反激式变压器开关电源电路参数计算
——陶显芳老师谈开关电源原理与设计
http://m.5r3h.cn/power-art/80021774
开关电源电路的过渡过程
——陶显芳老师谈开关电源原理与设计
http://m.5r3h.cn/power-art/80021728
工程师推荐:一款隔离调压式交流电源的电路设计
http://m.5r3h.cn/power-art/80021797





